光成端箱(屋内壁掛型) HOTB-WP0012A

HOTB-WP0012A/Tn/□-□-□-□-□/option

特長

  1. 多様な接続形態に対応可能です。
  2. プラスチック製ケースの採用により、小型・軽量化・低価格化を実現しました。
  3. ケーブル・コードの導入位置が選択可能な屋内壁面・キュービクル内取付タイプです。
  4. 成端箱内部にあらかじめ光コードを配線(プレ配線)することも可能です。

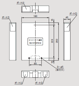
仕様

項目 仕様
型式 HOTB-WP0012A
寸法 180(W)×250(H)×45(D)mm
質量 約0.6kg
マンセル2.5Y9/2
適用ケーブル外径 φ18mm以下
適用テンションメンバ径 φ4.5mm以下
ケーブル導入条数 最大2条(1方向導入)
適用コード径 テープコード 3.5mm×2.5mm以下
単心コード φ2.8mm以下
コード導入本数 最大:12本/1導入口 組み合わせにより最大:2導入口実装可能
アダプタ数 SC形 最大:2連式×3個/1導入口
FC及びST形 最大:4個/1導入口
単心線 最大15接続(5接続/1トレイ)
設置場所 屋内壁面、キュービクル内

品名略号



ABOUT US

持続可能な社会を支える高機能材料会社

売上収益

7,686億円

全従業員数

18,877